RENOVATION
鹿児島県霧島市での水回りリフォーム工事が完了しました。
工事基本情報
| 施工内容 | 水廻り取替工事/間取りの変更/段差解消 | 施工期間 | 1ヶ月~2か月 |
|---|---|---|---|
| 築年数 | - | 大きさ | - |
| 工事費用 | 400万~420万 | 住設メーカー | TOTO / LIXIL |
見積依頼をする
リフォーム工事の内容
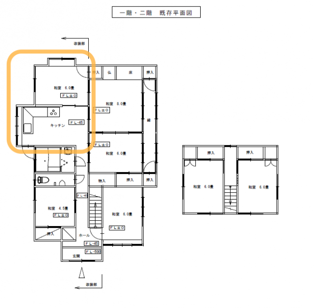
今回のリフォーム工事前の間取りはこちらです。

今回のリフォーム工事では大きく2か所の部分の間取りを変更していきました。
キッチン居間スペース
まず一つ目はこちら
「 キッチンスペースと居間スペース 」

既存のスペースは扉があり「 キッチン 」「 居間 」 と2つの部屋として分かれておりますが、
今回は壁を取っ払い、最近よく見る「キッチン・ダイニング・リビング」のLDKとして施工していきました。
こちらが既存「居間・キッチン」の様子です。
床は畳で和室の造りですが、椅子を使って生活されているのが分かります。

こちらが台所と居間の仕切りの部分ですね。


こちらが台所の一部の写真です。
今回はこの「居間・台所」を1つの部屋として使えるようにリフォームしていきます。

リフォーム後間取り

このようにキッチンダイニングとしてリフォームを行います。



今回設置したキッチン

今回使用していったキッチンは「システムキッチン シエラ / LIXIL 」を設置していきました。
キッチンの印象としてはワークトップの色や扉の色出雰囲気が大きく変わってきます。
今回は「ディープウォールナッド」と呼ばれる濃いめの茶色に木目が入っている扉。
ワークトップはステンレスを使用しおり、汚れをふき取りやすいエンボス加工が施されているものを使用していきました。
「浴室・洗面脱衣所・トイレ」のリフォーム

次にこちらの「お風呂・トイレ・洗面脱衣所」部分のリフォームを行っていきました。
以前のトイレは男性用トイレも設置されていますが最近は設置する人は少なくなっていますね。
写真を見ていただくと分かる通り、この部分に洗面台さらに洗濯機までおいており服を脱ぎ着するスペースがとても狭いようです。




今回はそんな悩みを解決するため、トイレの位置を移動することに。
このようにトイレの位置を入れ替えることで脱衣所を広く確保することができます。
今回設置したユニットバス・トイレ・洗面台
ユニットバス

今回使用したユニットバスは「ユニットバス サザナHS Sタイプ/ TOTO 」を施工していきました。
ユニットバスの印象は浴槽・床・壁の色で変わってきます。
今回は「浴槽を白」「床をベージュ」「壁三面は白一面はファルティウッドと呼ばれる濃い茶色」で施工していきました。
洗面台

今回使用した洗面台は「サクア/ TOTO 」を使用しております。
扉の色はロイヤルブラウンと呼ばれる濃い目の茶色を使用しておりますので、少し落ち着いた印象がありますね。
トイレ

今回使用したトイレは「 ネオレストAH / TOTO 」 を使用していきました。
ネオレストはTOTOが発売しているタンクレストイレシリーズになります。
壁紙はピンク色を使用しており清潔感がありかわいいですね。
段差解消
また以前までは廊下に段差があり、つまずいてしまう危険性がありましたが、今回はこの段差をなくすための
リフォームも一緒に行っていきました。



段さがなくなっているのが分かりますね。









